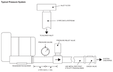
These filters are designed to protect the Fuji Ring Compressor by filtering the inlet air when the blower is being used for pressure applications. The filter has a perforated metal cover and an inner liner wrapped with a fine (.009) mesh screen. The filter is rated for 200 micron filtration.
Note that the VFZ series ring compressors have replaced many of the VFC series models. These are direct-fit replacements and the same filters that fit a VFC series number also fit the VFZ series number. For example, the F-67 fits all ring compressors with part numbers beginning VFC/VFZ60 and VFC/VFZ70.


