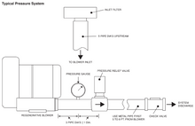
The inlet filter/silencers are designed to protect the Fuji Ring Compressor by filtering the inlet air and quieting the blower when used for pressure applications. The filter has a pleated paper inner filter element rated at 10 microns. A metal outer cover is easily removable when servicing the unit.
Inlet Filter/Silencers Datasheet
Note that the VFZ series ring compressors have replaced many of the VFC series models. These are direct-fit replacements and the same filters that fit a VFC series number also fit the VFZ series number. For example, the FS-67 fits all ring compressors with part numbers beginning VFC/VFZ60 and VFC/VFZ70.


